Descripción del Producto
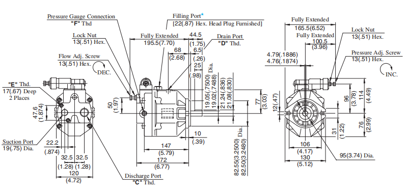
Bomba hidráulica de pistón Yuken AR AR16 AR22, bomba hidráulica de desplazamiento variable A16
La bomba de desplazamiento variable de la serie AR se ha desarrollado con el objetivo de lograr una mayor suavidad en el funcionamiento, un tamaño más pequeño y un peso más ligero, y se basa en la tecnología e ingeniería de Yuken, que lanzó al mercado la bomba de la serie “A”, que tiene reputación de funcionamiento silencioso y alta eficiencia. Una bomba de desplazamiento variable es un dispositivo que convierte la energía mecánica en energía hidráulica (fluídica). El desplazamiento, o la cantidad de fluido bombeado por revolución del eje de entrada de la bomba, se puede variar mientras la bomba está en funcionamiento.






Deja tu mensaje
Productos recomendados