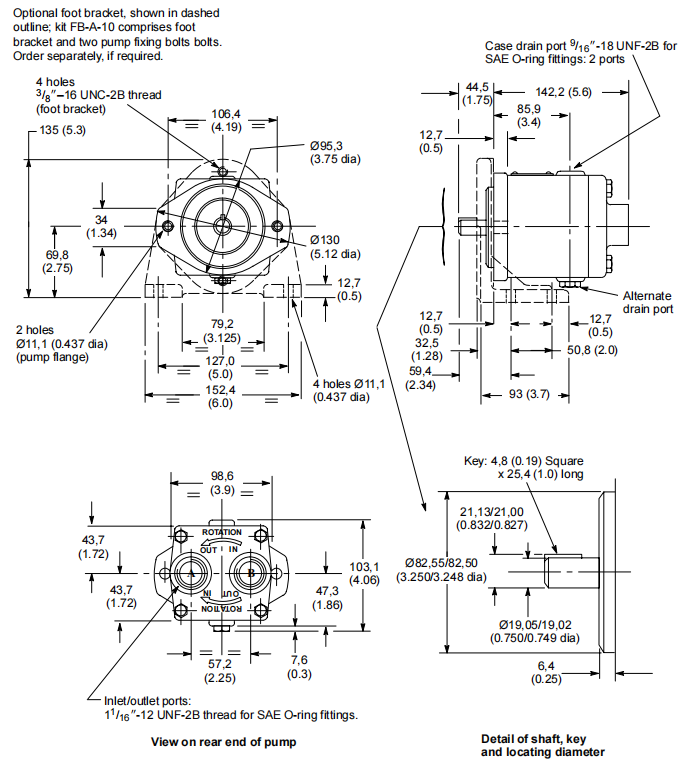
Descripción del Producto
Bomba hidráulica de pistón variable Vickers PVB, PVB5, PVB6, PVB10, PVB15, PVB20, PVB29, PVB45
Las bombas de pistones axiales Vickers PVB están disponibles en tipos de desplazamiento fijo y variable, lo que permite un alto rendimiento.
y eficiencia con una amplia gama de fluidos hidráulicos. Las bombas de desplazamiento fijo son conocidas por su alto rendimiento volumétrico.
y eficiencia mecánica, mientras que las bombas de desplazamiento variable pueden igualar con precisión la presión y/o el flujo.
Requisitos.
Las bombas de las series PVB y PFB de Eaton incluyen bombas de pistón axial de desplazamiento variable y fijo que brindan una excelente
Rendimiento con una amplia gama de fluidos hidráulicos.
Bombas de desplazamiento fijo:
Tres tamaños de desplazamiento disponibles:
PFB5: 10,55 cc/rev
PFB10: 21,40 cc/rev
PFB20: 42,80 cc/rev
Bombas de desplazamiento variable:
Los requisitos de presión y/o flujo se pueden satisfacer con precisión con una variedad de opciones de control:
Compensador de presión con o sin control remoto
Compensador de presión con control de desplazamiento ajustable
Compensador de detección de carga
Control mecánico (palanca)
Control del volante
Ocho tamaños de desplazamiento disponibles:
PVB5: 10,55 cc/rev
PVB6: 13,81 cc/rev
PVB10: 21,10 cc/rev
PVB15: 33,0 cc/rev
PVB20
PVB29: 61,60 cc/rev
PVB45: 94,50 cc/rev
PVB90: 197,50 cc/rev
Las bombas de pistón Vickers pueden funcionar a presiones de hasta 210 bar (3000 psi) y alcanzar velocidades de hasta 3600 rpm.
Envíanos el número de pieza que necesitas y obtén una cotización inmediata.





Deja tu mensaje
Productos recomendados