Descripción del Producto
Bomba de transferencia de engranajes Kracht KF180, bomba hidráulica KF180
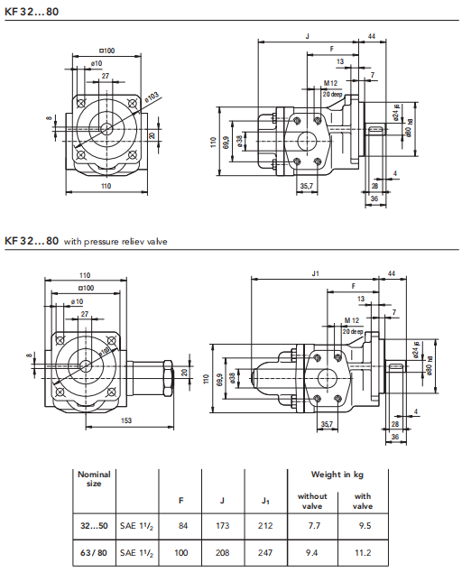
Bomba de engranajes KF180 Tamaños nominales 4…80 cm3:Vg = 4 /5/6/8/ 10/ 12 / 16/20 /25/32 /40/50 /63/80
Posición de montaje: arbitraria (excepción: ver dispositivo universal)
Dirección de rotación: derecha o izquierda, derecha e izquierda.
Tipo de fijación: brida (DIN ISO 3019)
Conexión de tubería: KF 4…25, KF 32…80, rosca de tubería Whitworth, brida SAE Brida SAE
Extremo del eje de transmisión: ISO R 775 cilíndrico corto
Presión de funcionamiento del lado de succión: ver tabla página 8
Presión de funcionamiento lado de presión: Pn 25 bar (presiones más altas bajo pedido)
Velocidad: KF 4…80,200…3000 1/min
Viscosidad
(dependiendo de la presión y la velocidad de rotación): mm2/s 12 … 20 000
Temperatura del medio de bombeo: ver gráfico de la página 8
Temperatura ambiente: Vu = — 20 °C … 60 °C (– 4 °F … 140 °F)




Deja tu mensaje
Productos recomendados