Bomba de engranajes 2PE Grupo2 Bomba hidráulica serie 2PE,Bomba de engranajes de alta presión 2PE-26 2PE-22.5
Bomba de engranajes 2PE Grupo2 Bomba hidráulica serie 2PE,Bomba de engranajes de alta presión 2PE-26 2PE-22.5
Bomba de engranajes 2PE Grupo2 Bomba hidráulica serie 2PE,Bomba de engranajes de alta presión 2PE-26 2PE-22.5

Descripción del Producto


Bomba de engranajes 2PE Grupo 2 Bomba hidráulica serie 2PE, bomba de engranajes de alta presión 2PE-26 2PE-22.5

Los modelos de la serie de bombas de engranajes 2PE cubren 4.5, 6.5, 8.3, 11.3, 13.8, 16, 19, 22.5, 26, 10.5 y 12.5, cada modelo adopta

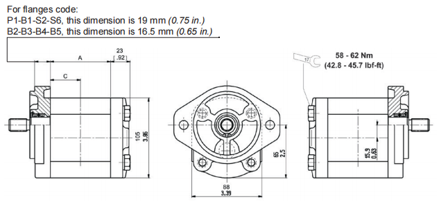
El diseño de engranaje integrado de 12 dientes, la brida, el eje y el puerto cumplen con los principales estándares europeos y estadounidenses. La cubierta posterior

Proporciona una variedad de opciones y válvulas integradas para satisfacer diferentes requisitos de aplicación.


El rango de desplazamiento de los productos de bomba de engranajes 2PE es de 4,6 cm³/rev a 12,7 cm³/rev, cumpliendo con los requisitos de flujo.

En diferentes condiciones de trabajo, la velocidad máxima es la siguiente:


En el estado P2, el rango de velocidad máxima es de 4000 rpm a 3500 rpm.

En el estado P1, el rango de velocidad máxima es de 600 rpm a 500 rpm.

1736746713737302915272245248.png

1736746724737302962764353536.png

rexroth gear pump 4.jpg

rexroth gear pump.jpg

rexroth gear pump2.jpg

rexroth gear pump 3.jpg

rexroth gear pump 1.jpg

gear pump 1.png

gear pump 2.png

gear pump.png

GEAR PUMP.jpg


Deja tu mensaje

Entregar

Productos recomendados