Página principal
Productos
probador hidráulico
Repuestos Bomag
Bomba hidráulica
bomba hidráulica
motor hidráulico
banco de pruebas hidráulico
Caja de cambios
Piezas hidráulicas
válvula hidráulica
Sobre nosotros
Solicitud
Noticias
Contáctenos
‹
›
Descripción del Producto
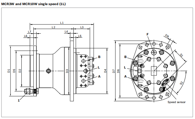
Motor hidráulico de pistón radial Rexroth MCR3, MCR5, MCR10, motor hidráulico MCR3, MCR5, MCR10
El motor de pistón MCR de Rexroth adopta un diseño estructural compacto y resistente para garantizar un funcionamiento estable en condiciones adversas.
condiciones de trabajo. Además, tiene una alta eficiencia volumétrica y mecánica, lo que mejora significativamente el sistema.
actuación.
Su diseño de montaje de carcasa trasera y brida de cubo con pernos de cubo proporcionan métodos de instalación flexibles.
Los motores de pistón MCR de Rexroth son conocidos por su alta confiabilidad y bajos requisitos de mantenimiento. Pueden funcionar
Funcionan de manera uniforme incluso a velocidades extremadamente bajas y mantienen características de bajo nivel de ruido, lo que satisface las necesidades de trabajo silencioso.
entornos.
Admite funcionamiento bidireccional y está equipado con rodamientos de rodillos cónicos sellados que pueden soportar altos esfuerzos radiales.
fuerzas sobre el eje de transmisión y tiene una función de rueda libre para mejorar aún más la adaptabilidad.
Hay una variedad de configuraciones opcionales disponibles, incluidos frenos de retención de discos múltiples, frenos de disco o tambor dinámicos,
Operación bidireccional de dos velocidades, válvulas de descarga integradas y sensores de velocidad para satisfacer las necesidades precisas de diferentes
aplicaciones.
Deja tu mensaje
Productos recomendados
WhatsApp
TEL
EMAIL